-
三极管 编辑
三极管,全称应为半导体三极管,也称双极型晶体管、晶体三极管,是一种控制电流的半导体器件。其作用是把微弱信号放大成幅度值较大的电信号,也用作无触点开关。三极管是半导体基本元器件之一,具有电流放大作用,是电子电路的核心元件。三极管是在一块半导体基片上制作两个相距很近的PN结,两个PN结把整块半导体分成三部分,中间部分是基区,两侧部分是发射区和集电区,排列方式有PNP和NPN两种。
中文名:三极管
外文名:Bipolar Junction Transistor
别名:晶体三极管
发明时间:1947年
材料:半导体
应用领域:实现电流放大
功能:控制电路
双极型晶体管(三极管)
可以看到,虽然都叫三极管,其实在英文里面的说法是千差万别的,三极管这个词汇其实也是中文特有的一个象形意义上的的词汇。
双极型晶体管(三极管)
电子三极管 Triode (俗称电子管的一种)
双极型晶体管 BJT (Bipolar Junction Transistor)
J型场效应管 Junction gate FET(Field Effect Transistor)
金属氧化物半导体场效应晶体管 MOS FET
晶体三极管(以下简称三极管)按材料分有两种:锗管和硅管。而每一种又有NPN和PNP两种结构形式,但使用最多的是硅NPN和锗PNP两种三极管,(其中,N是负电荷的意思(代表英文中Negative),N型半导体在高纯度硅中加入磷取代一些硅原子,在电压刺激下产生自由电子导电,而P是正电荷的意思(Positive)是加入硼取代硅,产生大量空穴利于导电)。两者除了电源极性不同外,其工作原理都是相同的,下面仅介绍NPN硅管的电流放大原理。
图1
NPN型晶体管示意图
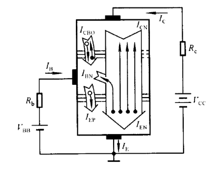
在制造三极管时,有意识地使发射区的多数载流子浓度大于基区的,同时基区做得很薄,而且,要严格控制杂质含量,这样,一旦接通电源后,由于发射结正偏,发射区的多数载流子(电子)及基区的多数载流子(空穴)很容易地越过发射结互相向对方扩散,但因前者的浓度基大于后者,所以通过发射结的电流基本上是电子流,这股电子流称为发射极电子流。
由于基区很薄,加上集电结的反偏,注入基区的电子大部分越过集电结进入集电区而形成集电极电流Icn,只剩下很少(1-10%)的电子在基区的空穴进行复合,被复合掉的基区空穴由基极电源Eb重新补给,从而形成了基极电流Ibn.根据电流连续性原理得:
Ie=Ib+Ic
这就是说,在基极补充一个很小的Ib,就可以在集电极上得到一个较大的Ic,这就是所谓电流放大作用,Ic与Ib是维持一定的比例关系,即:
β1=Ic/Ib
式中:β1--称为直流放大倍数,
集电极电流的变化量△Ic与基极电流的变化量△Ib之比为:
β= △Ic/△Ib
式中β--称为交流电流放大倍数,由于低频时β1和β的数值相差不大,所以有时为了方便起见,对两者不作严格区分,β值约为几十至一百多。
α1=Ic/Ie(Ic与Ie是直流通路中的电流大小)
式中:α1也称为直流放大倍数,一般在共基极组态放大电路中使用,描述了发射极电流与集电极电流的关系。
α =△Ic/△Ie
表达式中的α为交流共基极电流放大倍数。同理α与α1在小信号输入时相差也不大。
对于两个描述电流关系的放大倍数有以下关系
三极管的电流放大作用实际上是利用基极电流的微小变化去控制集电极电流的较大变化。%20
三极管是一种电流放大器件,但在实际使用中常常通过电阻将三极管的电流放大作用转变为电压放大作用。
放大原理
1、发射区向基区发射电子
电源Ub经过电阻Rb加在发射结上,发射结正偏,发射区的多数载流子(自由电子)不断地越过发射结进入基区,形成发射极电流Ie。同时基区多数载流子也向发射区扩散,但由于多数载流子浓度远低于发射区载流子浓度,可以不考虑这个电流,因此可以认为发射结主要是电子流。
2、基区中电子的扩散与复合
电子进入基区后,先在靠近发射结的附近密集,渐渐形成电子浓度差,在浓度差的作用下,促使电子流在基区中向集电结扩散,被集电结电场拉入集电区形成集电极电流Ic。也有很小一部分电子(因为基区很薄)与基区的空穴复合,扩散的电子流与复合电子流之比例决定了三极管的放大能力。
3、集电区收集电子
由于集电结外加反向电压很大,这个反向电压产生的电场力将阻止集电区电子向基区扩散,同时将扩散到集电结附近的电子拉入集电区从而形成集电极主电流Icn。另外集电区的少数载流子(空穴)也会产生漂移运动,流向基区形成反向饱和电流,用Icbo来表示,其数值很小,但对温度却异常敏感。
图2
b.按结构分: NPN 、 PNP。如图2所示:
c.按功能分: 开关管、功率管、达林顿管、光敏管等.
d. 按功率分:小功率管、中功率管、大功率管
e.按工作频率分:低频管、高频管、超频管
f.按结构工艺分:合金管、平面管
g.按安装方式:插件三极管、贴片三极管
特征频率
当f= fT时,三极管完全失去电流放大功能。如果工作频率大于fT,电路将不正常工作。
fT称作增益带宽积,即fT=βfo。若已知当前三极管的工作频率fo以及高频电流放大倍数,便可得出特征频率fT。随着工作频率的升高,放大倍数会下降.fT也可以定义为β=1时的频率.
电压电流
用这个参数可以指定该管的电压电流使用范围。
hFE
电流放大倍数。
VCEO
集电极发射极反向击穿电压,表示临界饱和时的饱和电压。
PCM
最大允许耗散功率。
封装形式
指定该管的外观形状,如果其它参数都正确,封装不同将导致组件无法在电路板上实现。
图3
图4
尽管封装结构不同,但与同参数的其它型号的管子功能和性能是一样的,不同的封装结构只是应用于电路设计中特定的使用场合的需要。
要注意有些厂家生产一些不规范元件,例如C945正常的脚位是BCE,但有的厂家出的此元件脚位排列却是EBC,这会造成那些粗心的工作人员将新元件在未检测的情况下装入电路,导致电路不能工作,严重时烧毁相关联的元器件,比如电视机上用的开关电源。
图5
先假设三极管的某极为“基极”,将黑表笔接在假设基极上,再将红表笔依次接到其余两个电极上,若两次测得的电阻都大(约几K到几十K),或者都小(几百至几K),对换表笔重复上述测量,若测得两个阻值相反(都很小或都很大),则可确定假设的基极是正确的。否则另假设一极为“基极”,重复上述测试,以确定基极。
当基极确定后,将黑表笔接基极,红表笔接其它两极若测得电阻值都很少,则该三极管为NPN,反之为PNP。
判断集电极C和发射极E,以NPN为例:
把黑表笔接至假设的集电极C,红表笔接到假设的发射极E,并用手捏住B和C极,读出表头所示C,E电阻值,然后将红、黑表笔反接重测。若第一次电阻比第二次小,说明原假设成立。
从三个区引出相应的电极,分别为基极b发射极e和集电极c。
发射区和基区之间的PN结叫发射结,集电区和基区之间的PN结叫集电结。基区很薄,而发射区较厚,杂质浓度大,PNP型三极管发射区"发射"的是空穴,其移动方向与电流方向一致,故发射极箭头向里;NPN型三极管发射区"发射"的是自由电子,其移动方向与电流方向相反,故发射极箭头向外。发射极箭头指向也是PN结在正向电压下的导通方向。硅晶体三极管和锗晶体三极管都有PNP型和NPN型两种类型。
三极管的封装形式和管脚识别
常用三极管的封装形式有金属封装和塑料封装两大类,引脚的排列方式具有一定的规律,
底视图位置放置,使三个引脚构成等腰三角形的顶点上,从左向右依次为e b c;对于中小功率塑料三极管按图使其平面朝向自己,三个引脚朝下放置,则从左到右依次为e b c。
国内各种类型的晶体三极管有许多种,管脚的排列不尽相同,在使用中不确定管脚排列的三极管,必须进行测量确定各管脚正确的位置,或查找晶体管使用手册,明确三极管的特性及相应的技术参数和资料。
截止状态
当加在三极管发射结的电压小于PN结的导通电压,基极电流为零,集电极电流和发射极电流都为零,三极管这时失去了电流放大作用,集电极和发射极之间相当于开关的断开状态,我们称三极管处于截止状态。
放大状态
当加在三极管发射结的电压大于PN结的导通电压,并处于某一恰当的值时,三极管的发射结正向偏置,集电结反向偏置,这时基极电流对集电极电流起着控制作用,使三极管具有电流放大作用,其电流放大倍数β=ΔIc/ΔIb,这时三极管处放大状态。
饱和导通
当加在三极管发射结的电压大于PN结的导通电压,并当基极电流增大到一定程度时,集电极电流不再随着基极电流的增大而增大,而是处于某一定值附近不怎么变化,这时三极管失去电流放大作用,集电极与发射极之间的电压很小,集电极和发射极之间相当于开关的导通状态。三极管的这种状态我们称之为饱和导通状态。
根据三极管工作时各个电极的电位高低,就能判别三极管的工作状态,因此,电子维修人员在维修过程中,经常要拿多用电表测量三极管各脚的电压,从而判别三极管的工作情况和工作状态。
三极管类型的判别: 三极管只有两种类型,即PNP型和NPN型。判别时只要知道基极是P型还N型即可。当用多用电表R×1k挡时,黑表笔代表电源正极,如果黑表笔接基极时导通,则说明三极管的基极为P型,三极管即为NPN型。如果红表笔接基极导通,则说明三极管基极为N型,三极管即为PNP型。
三极管的管型及管脚的判别是电子技术初学者的一项基本功,为了帮助读者迅速掌握测判方法,笔者总结出四句口诀:“三颠倒,找基极;PN结,定管型;顺箭头,偏转大;测不准,动嘴巴。”下面让我们逐句进行解释吧。
1: 三颠倒,找基极
大家知道,三极管是含有两个PN结的半导体器件。根据两个PN结连接方式不同,可以分为NPN型和PNP型两种不同导电类型的三极管。
测试三极管要使用万用电表的欧姆挡,并选择R×100或R×1k挡位。万用电表欧姆挡的等效电路。红表笔所连接的是表内电池的负极,黑表笔则连接着表内电池的正极。
假定我们并不知道被测三极管是NPN型还是PNP型,也分不清各管脚是什么电极。测试的第一步是判断哪个管脚是基极。这时,我们任取两个电极(如这两个电极为1、2),用万用电表两支表笔颠倒测量它的正、反向电阻,观察表针的偏转角度;接着,再取1、3两个电极和2、3两个电极,分别颠倒测量它们的正、反向电阻,观察表针的偏转角度。在这三次颠倒测量中,必然有两次测量结果相近:即颠倒测量中表针一次偏转大,一次偏转小;剩下一次必然是颠倒测量前后指针偏转角度都很小,这一次未测的那只管脚就是我们要寻找的基极。
2:PN结,定管型
找出三极管的基极后,我们就可以根据基极与另外两个电极之间PN结的方向来确定管子的导电类型。将万用表的黑表笔接触基极,红表笔接触另外两个电极中的任一电极,若表头指针偏转角度很大,则说明被测三极管为NPN型管;若表头指针偏转角度很小,则被测管即为PNP型。
3:顺箭头,偏转大
找出了基极b,另外两个电极哪个是集电极c,哪个是发射极e呢?这时我们可以用测穿透电流ICEO的方法确定集电极c和发射极e。
(1) 对于NPN型三极管,穿透电流的测量电路。根据这个原理,用万用电表的黑、红表笔颠倒测量两极间的正、反向电阻Rce和Rec,虽然两次测量中万用表指针偏转角度都很小,但仔细观察,总会有一次偏转角度稍大,此时电流的流向一定是:黑表笔→c极→b极→e极→红表笔,电流流向正好与三极管符号中的箭头方向一致顺箭头,所以此时黑表笔所接的一定是集电极c,红表笔所接的一定是发射极e。
(2) 对于PNP型的三极管,道理也类似于NPN型,其电流流向一定是:黑表笔→e极→b极→c极→红表笔,其电流流向也与三极管符号中的箭头方向一致,所以此时黑表笔所接的一定是发射极e,红表笔所接的一定是集电极c。
4:测不出,动嘴巴
若在“顺箭头,偏转大”的测量过程中,若由于颠倒前后的两次测量指针偏转均太小难以区分时,就要“动嘴巴”了。具体方法是:在“顺箭头,偏转大”的两次测量中,用两只手分别捏住两表笔与管脚的结合部,用嘴巴含住(或用舌头抵住)基电极b,仍用“顺箭头,偏转大”的判别方法即可区分开集电极c与发射极e。其中人体起到直流偏置电阻的作用,目的是使效果更加明显。
基本结构
基本放大电路是放大电路中最基本的结构,是构成复杂放大电路的基本单元。它利用双极型半导体三极管输入电流控制输出电流的特性,或场效应半导体三极管输入电压控制输出电流的特性,实现信号的放大。本章基本放大电路的知识是进一步学习电子技术的重要基础。
基本放大电路一般是指由一个三极管或场效应管组成的放大电路。从电路的角度来看,可以将基本放大电路看成一个双端口网络。放大的作用体现在如下方面:
1.放大电路主要利用三极管或场效应管的控制作用放大微弱信号,输出信号在电压或电流的幅度上得到了放大,输出信号的能量得到了加强。
2.输出信号的能量实际上是由直流电源提供的,只是经过三极管的控制,使之转换成信号能量,提供给负载。
电路组成
共射组态基本放大电路是输入信号加在基极和发射极之间,耦合电容器C1和Ce视为对交流信号短路。输出信号从集电极对地取出,经耦合电容器C2隔除直流量,仅将交流信号加到负载电阻RL之上。放大电路的共射组态实际上是指放大电路中的三极管是共射组态。
在输入信号为零时,直流电源通过各偏置电阻为三极管提供直流的基极电流和直流集电极电流,并在三极管的三个极间形成一定的直流电压。由于耦合电容的隔直流作用,直流电压无法到达放大电路的输入端和输出端。
当输入交流信号通过耦合电容C1和Ce加在三极管的发射结上时,发射结上的电压变成交、直流的叠加。放大电路中信号的情况比较复杂,各信号的符号规定如下:由于三极管的电流放大作用,ic要比ib大几十倍,一般来说,只要电路参数设置合适,输出电压可以比输入电压高许多倍。uCE中的交流量 有一部分经过耦合电容到达负载电阻,形成输出电压。完成电路的放大作用。
由此可见,放大电路中三极管集电极的直流信号不随输入信号而改变,而交流信号随输入信号发生变化。在放大过程中,集电极交流信号是叠加在直流信号上的,经过耦合电容,从输出端提取的只是交流信号。因此,在分析放大电路时,可以采用将交、直流信号分开的办法,可以分成直流通路和交流通路来分析。
组成原则
1.保证放大电路的核心器件三极管工作在放大状态,即有合适的偏置。也就是说发射结正偏,集电结反偏。
2.输入回路的设置应当使输入信号耦合到三极管的输入电极,形成变化的基极电流,从而产生三极管的电流控制关系,变成集电极电流的变化。
3.输出回路的设置应该保证将三极管放大以后的电流信号转变成负载需要的电量形式(输出电压或输出电流)。
三极管
第一部分:用阿拉伯数字表示器件电极数。 第二部分:用字母表示器件的材料和极性。 第三部分:用汉语拼音字母表示器件类型。 第四部分:用数字表示器件序号。 第五部分:用汉语拼音字母表示规格。 | |||||
第一部分 | 第二部分 | 第三部分 | |||
符号 | 意义 | 符号 | 意义 | 符号 | 意义 |
2 | 二极管 | A | N型锗材料 | P | 普通管 |
- | - | B | P型锗材料 | V | 微波管 |
- | - | C | N型硅材料 | W | 稳压管 |
- | - | D | P型硅材料 | C | 参量管 |
3 | 三极管 | A | PNP型锗材料 | Z | 整流管 |
- | - | B | NPN型锗材料 | L | 整流管 |
- | - | C | PNP型硅材料 | S | 隧道管 |
- | - | D | NPN型硅材料 | N | 阻尼管 |
- | - | E | 化合物材料 | U | 光电器件 |
- | - | - | - | K | 开关器 |
- | - | - | - | X | 低频小功率管 |
- | - | - | - | G | 高频小功率管 |
- | - | - | - | D | 低频大功率管 |
- | - | - | - | A | 高频大功率管 |
- | - | - | - | T | 半导体闸流管 |
- | - | - | - | Y | 体效应器件 |
- | - | - | - | B | 雪崩管 |
- | - | - | - | J | 阶跃恢复管 |
- | - | - | - | CS | 场效应器 |
- | - | - | - | BY | 半导体特殊器件 |
- | - | - | - | FH | 复合管 |
- | - | - | - | PIN | PIN型管 |
- | - | - | - | JG | 激光器件 |
2.知道参数,尤其是BVCBO,BVCEO,BVEBO,HFE,ft,VCEsat参数。通过各个参数的比较,找相似的产品。即使知道了参数以后也不好找,一些书籍都过时了,没有收集新的产品进去。
直插封装的型号 贴片的型号 极性 Ft VCEO Ic hfe 配对型号
9011 1T NPN 150MHz 18V 100mA 28~132
9012 2T PNP 150MHz 25V 500mA 64~144 9013
9013 J3 NPN
9014 J6 NPN 150MHz 18V 100mA 60~400 9015
9015 M6 PNP
9016 Y6 NPN 500MHz 20V 25mA 28~97
9018 J8 NPN 700MHZ 12V 100mA 28~72
S8050 J3Y NPN 100MHz 25V 1.5A 45~300 S8550
S8550 2TY PNP
8050 Y1 NPN 100MHz 25V 1A 85~300 8550
8550 Y2 PNP
2SA1015 BA PNP
2SC1815 HF NPN 80MHz 50V 150mA 70~700 1015
2SC945 CR NPN 250MHz 50V 100mA 200~600
2SA733 CS
MMBT3904 1AM NPN 300MHz 60V 100mA 300@10mA 3906
MMBT3906 2A PNP
MMBT2222 1P NPN 250MHz 60V 600mA 100@150mA
MMBT5401 2L PNP 100MHz 150V 500mA 40~200 5551
MMBT5551 G1 NPN
MMBTA42 1D NPN 50MHz 300V 100mA 40@10mA
MMBTA92 2D PNP
BC807-16 5A PNP
BC807-25 5B PNP 80MHz 45V 500mA 250@100mA BC817-25
BC807-40 5C PNP 80MHz 45V 500mA 250@100mA BC817-40
BC817-16 6A NPN
BC817-25 6B NPN
BC817-40 6C NPN
BC846A 1A NPN 250MHz 65V 100mA 140 BC856
BC846B 1B NPN 250
BC847A 1E NPN 45V BC857
BC847B 1F
BC847C 1G NPN 420~800
BC848A 1J NPN 30V
BC848B 1K
BC848C 1L
BC856A 3A PNP
BC856B 3B
BC857A 3E
BC857B 3F
BC858A 3J
BC858B 3K
BC858C 3L
2SC3356 R23 NPN 7GHz 20V 100mA 50~300
2SC3838 AD
带反向二极管的N沟道FET
2N7002 702 40V 400mA
BSS138 50V 200mA
下面是带电阻的三极管
UN2111 V1 NNP 150MHz 50V 100mA
UN2112 V2
UN2113 V3
UN2211 V4
UN2212 V5
UN2213 V6
1、本站所有文本、信息、视频文件等,仅代表本站观点或作者本人观点,请网友谨慎参考使用。
2、本站信息均为作者提供和网友推荐收集整理而来,仅供学习和研究使用。
3、对任何由于使用本站内容而引起的诉讼、纠纷,本站不承担任何责任。
4、如有侵犯你版权的,请来信(邮箱:baike52199@gmail.com)指出,核实后,本站将立即删除。

















